
Радиомаяк предназначен для проверки приемного оборудования, контроля антенно-фидерной системы, может быть использован как маяк для «охоты на лис» или как источник сигнала для настройки УКВ-антенн.
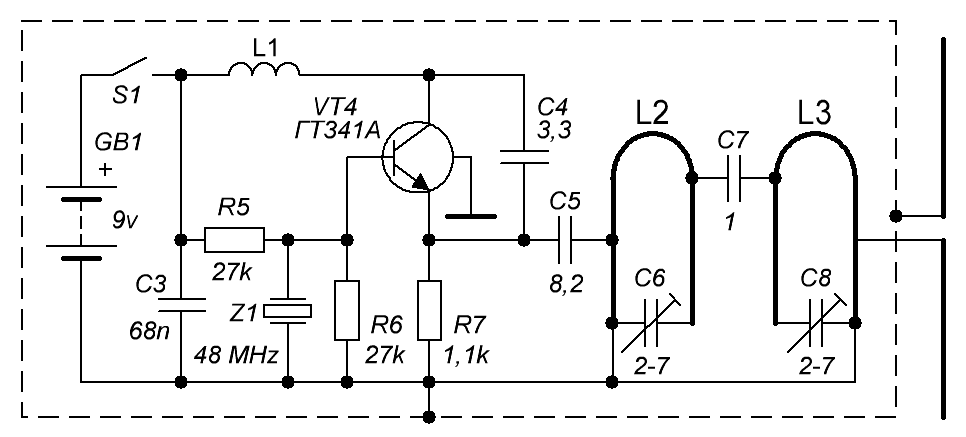
Принципиальная схема радиомаяка:
Полосовой фильтр (L2-С6, L3-С8), настроен на 433 МГц, выполнены навесным монтажем. Использован провод диаметром 0,8 мм.

В схеме использован кварц на 48 МГц, но может быть использован кварц любой субгармоники 433 МГц, при этом возможно потребуется подобрать емкость C4.
Уровень сигнала надо подбирать перепайкой отводов на линиях L2 и L3 и изменением размера антенны.
Принципиальная схема радиомаяка с АМ:
Для получения сигнала с АМ в цепь питания включен НЧ-мультивибратор на частоту 800-1000 Гц.
В основе предлагаемых схем УКВ радиомаяков – схема, предложенная С.Г.Жутяевым в брошуре МРБ (выпуск 1037) «Любительская УКВ радиостанция».
Конструктивно маяк выполнен навесным монтажем, в корпусе из фольгированного текстолита. Питание – две батареи 4,5 в (под эти размеры собственно и изготавливался корпус).

Комментарии