
Этот радиоприемник попал в мою коллекцию лет 5-6 назад. В 2011 году в фотогалерее добавлен альбом: http://oldradio.su/main.php?g2_itemId=23178 содержащий фотографии этого приемника. Приемник не подает никаких признаков жизни, а его внешнее состояние можно оценить по фото. Понимая, что процесс реставрации будет долгим, все как-то не решался за него взяться...
Ну не вечно же ему пылится. Итак, начинаем.
1. Разборка.
При внимательном изучении приемника стало ясно, что нет смысла его ремонтировать, пока он в таком виде, так как все-равно придется полностью его разбирать. Первый этап разборки - разделить приемник на основные части:
- Корпус, который в свою очередь разбирается на собственно сам корпус и элементы передней панели, состоящие из обтянутой тканью фанеры, на которой крепится динамик, шкалы и двух декоративных вставок. Задняя крышка приемника отсутствует. Нижняя решетка сохранилась, но время ее довольно сильно деформировало.
- Шасси, которое состоит из собственно шасси, на котором монтируются все радиокомпоненты приемника и шкально-верньерного устройства.
Теперь можно процесс реставрации "распараллелить", занимаясь каждой отдельной частью приемника незаисимо от состояния других частей.
Весь процесс разборки можно посмотреть в альбоме фотогалереи: Балтика М254 - Разборка
Комментарии
Шасси На фото (см. альбом
Шасси
На фото (см. альбом галереи Балтика М254 - Разборка) прекрасно видно состояние шасси. Учитывая что приемник не подает признаков жизни, а внимательный осмотр выявил некоторые повреждения, а также разрушение изоляции на некоторых проводах, а также учитывая внешний вид приемника - решено было его полностью разобрать. На шасси остались только ламповые панели (к счастью все целые), ролики шкально-верньерного устройства и крепления ламп подсветки шкалы и лампы 6Е5С. Ошибкой было демонтирование кольца, удерживающего конденсатор фильтра питания. Одно кольцо оставлено на шасси, а вот второе, при демонтаже осталось без "уха", и сейчас придется подумать как его закрепить. Металл очень хрупкий, поэтому попытка его разогнуть просто приводит к тому, что он ломается, поэтому по возможности такие элементы с шасси лучше вообще не снимать.


Пару слов о процессе разборки, может кому-то пригодится. Во-первых, всю разборку нужно вести аккуратно и сверяясь с принципиальной схемой, потому что в схеме могут быть отличия. Во-вторых, каждый шаг лучше снимать на фото, вообще в процессе разборки, чем больше будет сделано фото - тем проще и достовернее потом пойдет сборка.
После того, как все элементы были демонтированы - шасси необходимо тщательно отмыть. К сожалению, просто отмывкой ограничится вряд ли удастся, но этот этам необходим. Все загрязнения снача удаляются химией, а вот следы ржавчины, царапины и прочее - мелкой шкуркой. После ошкуривания шасси - обрабатываем каким-либо "восстановителем ржавчины", очень хорошо здесь помогает автокосметика.
Подготовка к покраске. Все элементы, которые не должны быть окрашены, а в данном случае это панельки и ролики, тщательно заклеиваются малярным скотчем. После чего вся поверхность обезжиривается.


Покраска. Для покраски была использована автомобильная краска (балончик), цвет - хром, наиболее точно подошел, практически один в один. Окрашиваем на 2-3 слоя, дав каждому слою просохнуть в течении не менее 20 минут. Вот что получилось в результате:


Шасси. Сборка Начал сборку
Шасси. Сборка
Начал сборку шасси, всвязи с нехваткой времени все идет немного медленнее, чем планировалось, ну и ладно, реставрация спешки не любит. Максимально использованы родные соединительные провода, конечно те провода у которых есть повреждение изоляции заменяются новыми, но очень похожими.
Единственное изменение, которое я внес - это увязал в жгут провода, идущие от трансформатора к разъему переключателя "110/127/220", но думаю в этом нет ничего страшного, так как в те годы это было нормально. Ну и возникли первые проблемы: при внимательном осмотре сетевого провода, выяснилось что изоляция от старости начала трескаться и рассыпаться, и местами видно оголеный провод. Да и тканевая оплетка местами сильно повреждена. Вывод однозначный - провод под замену. Но найти похожий пока никак не получается. Может кто-то из опытных мастеров-реставраторов подскажет как быть в таком случае?
strejekyrov, большое спасибо
strejekyrov, большое спасибо за предложение, но я не знаю как сейчас дела обстоят с пересылкой Россия-Украина, не возникнет ли каких проблем с пересылкой, да и есть желание все-таки эту "Балтику" оживить.
john пишет: ... провод под
[quote=john]
... провод под замену. Но найти похожий пока никак не получается. Может кто-то из опытных мастеров-реставраторов подскажет как быть в таком случае?
[/quote]
Я не опытный реставратор, но можно попробовать родной шнур хорошенько постирать, а потом снять тканевую оплетку с жил. Потом внутрь чулка затянуть обычный двухжильный провод (или два одножильных). Внешне будет как и было, а внутри нормальный провод в нормальной изоляции. Сам так не делал а где-то читал в интернете. Немножко занимаюсь восстановлением приемников в своей коллекции, вот и читаю что найду.
Именно так я сначала и
Именно так я сначала и попробовал. Но тканевая оплетка никак сниматься не хочет, да и порвана она в нескольких местах. В общем нет смысла на ее основе шнур востанавливать. Буду пытаться найти что-то похожее.
Корпус. Сначала - полная
Корпус.
Сначала - полная разборка. Затем восстанавливаем собственно сам корпус. Для этого, шлифмашиной обдираем потрескавшуюся краску. В сети советуют обдирать до дерева, но по-моему нет смысла подходить так радикально, мне кажется вполне достаточно ободрать только отшелушившуюся и потрескавшуюся краску, максимально сохранив грунтовку и те места, где краска в хорошем состоянии. Затем шпатлевкой по дереву - исправляем все имеющиеся дефекты корпуса. После того как шпатлева просохнет - снова шлифовка шлифамшиной. Кстати, шкурку лучше брать сразу не слишком крупную, чтобы потом не зачищать глубокие царапины.
После чего - покраска, первый слой. На этом этапе главное прокрасить корпус внутри, не слишком заморачиваясь с внешйней стороной - ее все-равно потом еще раз придется шкурить, так как краска обязательно "поднимет ворс" на тех участках где открытое дерево. Если корпус всеже пришлось ободрать до дерева, то желательно перед покраской нанести слой грунтовки.
Декоративные вставки. После
Декоративные вставки.
После разборки они выглядели так:
Если присмотреться к полировке, то она была вся потрескавшаяся:
Ну и встал вопрос что с этим делать. Оставлять так - нельзя, открытые поры в покрытии ни к чему хорошему не приведут, просто шлифанут и натереть политурой - тоже не вариант, сетка трещин будет еще силнее заметна. В общем, сначала я решил поверхность шлифануть мелкой шкуркой, выровнять ее, а затем просто покрыть лаком, отшлифовать и заполировать:
Вроде поначалу что-то получалось, но нет, сетка трещин все-равно сильно просвечивала. В принципе, если бы весь корпус был полированый, я скорее всего оставил бы оставил такой вариант, но на свежеокрашенном корпусе это все выглядело ужасно. В итоге решил все-таки ободрать покрытие до фанеры:
Затем морилка. Цвет пришлось подбирать, экспериментирую сначала на обрезках фанеры:
Далее все стандартно, наносим слой лака, просушка, шлифовка и так семь раз. После чего оставляем сушиться на три недели, и только после этого полировка:
По времени это все заняло практически полтора месяца, но наверное оно того стоило:
И, кстати, на счет карболитовой вставки. После тщательной отмывки поверхность выглядит буд-то матовая, проблема решаетя сухой полировкой с помощью фетрового валика, с насадкой на дрель. После чего карболит выглядит как новый, проявляется рисунок, появляется блеск.
Замена радиоткани. К
Замена радиоткани.
К сожделению, ткань была в нескольких местах повреждена, а кроме того, с годами "выгорела", поэтому решено было ее заменить. Подробно процесс хамены ткани описан здесь: https://radionic.pro/node/7327#comment-1334, ну а вот что получилось в итоге:
Восстановление электрической
Восстановление электрической схемы.
УНЧ
На данный момент восстановлена вот эта часть схемы:
Проблемы возникли с динамиком:
точнее - с трансформатором, первичная обмотка которого оказалась в обрыве, а снять и перемотать его - та еще задачка, трансформатор крепится к основанию заклепками.
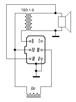
Вот схема этого узла:
В итоге, для проверки УНЧ, была собрана вот такая схема:
Т.е. я просто отключил сгоревшую обмотку трансформатора, подключил на её место первичную обмотку трансформатора ТВЗ-1-9, ко вторичной обмотке которого подключил динамическую головку. Этого оказалось вполне достаточно, чтобы убедиться в том, что усилитель работает.
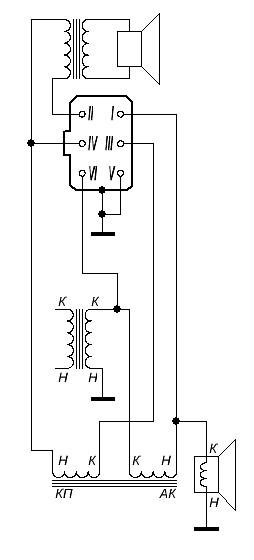
И сразу хочу предложить схему, которая позволит заменить штатный динамик, если реставрация его невозможна или неоправдана. Для этого потребуется дроссель, трансформатор и динамическая головка от любого лампового телевизора.
В общем-то именно так я сначала и собирался сделать, но к счастью, нашелся донор, и у донора динамик оказался исправным, поэтому не стал ничего городить, просто подключил исправный динамик, а к теме восстановления динамика я еще вернусь, но позже.
Видео:
К сожелению АРУ фотоаппарата не позволяет показать процес регулировки громкости.
Сегодня закончил
Сегодня закончил восстановление электрической схемы приемника. В целом, на данный момент все работает. К сожалению, не вполне удалось показать на видео работу приемника, во-первых, потому что вещательных станций крайне мало, во-вторых - прием на трехметровый кусок провода в квартире, в городе, на фоне зашкаливающих шумов.
В процессе восстановления электрической схемы, были заменены некоторые резисторы и конденсаторы на точно такие же, снятые с донора. Схема полностью соответствует той, что во вложении, за одним небольшим исключением - на схеме накалы ламп подключены таким образом, что 7 выводы ламп попадают на корпус, а по факту на корпусе были 2 выводы ламп. Восстанавливал в соответвии с тем, как было. Еще один момент, в исходном состоянии вместо лампы 6К3 стояла 6К4, а вместо 6А7 стояла 6А10С, в соответвии с имеющейся схемой произвел обратную замену, так что теперь все соответствует. Осталось восстановить верньерное устройство, шкалу, проверить настройки и установить шасси в корпус.